|
電接點壓力表適用于測量對銅合金無腐蝕、無爆炸危險、非結晶的各種液體、氣體等介質壓力。儀表經與相應的電氣器件配套使用,可達到對被測壓力系統實現預先設定的大或小壓力值的雙位自動控制和發信(報警)的目的。 儀表具有測量控制功能,可任意設定上、下限值,動作穩定可靠,在石油、化工、電站、冶金等工業企業及機電設備上廣泛配套使用。 |
|
結構原理 |
|
儀表由測量系統、指示裝置、磁助電接點裝置、外殼、調節裝置及接線盒等組成。 當被測壓力作用于彈簧管時,其末端產生相應的彈性變形一位移,經傳動機構放大后,由指示裝置在度盤上指示出來。同時指針帶動電接點裝置的活動觸點與設定指針上的觸頭(上限或下限)相接觸的瞬時,致使控制系統接通或斷開電路,以達到自動控制和發信報警的目的。 在電接點裝置的電接觸信號針上,裝有可調節的永久磁鋼,可以增加接點吸力,加快接觸動作,從而使觸點接觸可靠,消除電弧,能有效地避免儀表由于工作環境振動或介質壓力脈動造成觸點的頻繁關斷。所以該儀表具有動作可靠、使用壽命長、觸點開關功率較大等優點。 ● 接點裝置電氣參數及控制形式 |
| 觸頭功率 |
高工作電壓 |
大工作電流 |
控制形式 |
| 30VA(阻性負載) |
220VDC或380VAC |
1A |
上下限、雙上限、雙下限 | |
| 型號表示 |
|
|
|
|
|
|
| 電氣電路連接示意圖 |
|
|
圖中:JZ1、JZ2—繼電器及觸點 CJ—接觸器及觸點 RJ—熱繼電器 M—電機 YX—電接點壓力表 L—下限接點(綠) H—上限接點(紅) B—公共接點(黃) |
|
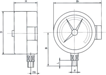
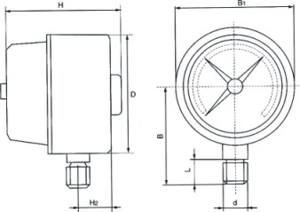
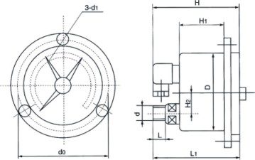
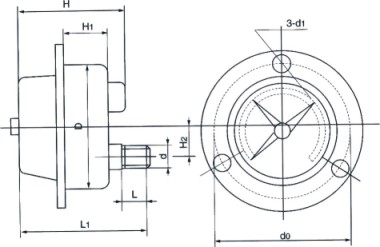
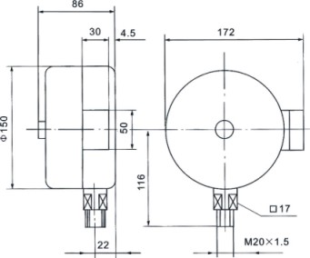
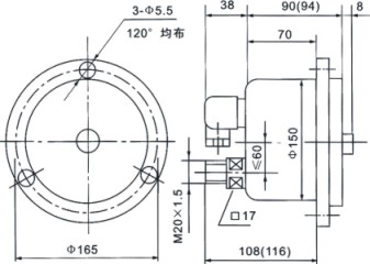
外形尺寸 |
|
 GY-YXC-100(1)、GY-YXC-150(1)
 GY-YXC-100(2)、GY-YXC-150(2)
|
|
 GY-YXC-100(1)ZT、GY-YXC-150(1)ZT
 GY-YXC-100(2)ZT、GY-YXC-150(2)ZT
|
|
 GY-YXC-150、GY-YXCA-150
 GY-YXC-153
|
| 型號 |
D |
H |
H1 |
H2 |
d0 |
d |
d1 |
B |
B1 |
L |
L1 |
|
GY-YXC-60 |
φ60 |
46 |
|
13 |
|
M14×1.5 |
|
56 |
72 |
14 |
|
|
GY-YXC-100 |
φ100 |
95 |
|
17 |
|
M20×1.5 |
|
87 |
121 |
20 |
|
|
GY-YXC-100ZT |
φ100 |
96 |
33 |
30 |
118 |
M20×1.5 |
5.5 |
|
|
20 |
115 |
|
GY-YXC-150 |
φ150 |
78 |
40 |
17 |
165 |
M20×1.5 |
5.5 |
113 |
150 |
20 |
|
|
GY-YXC-150ZT |
φ150 |
78 |
40 |
30 |
165 |
M20×1.5 |
5.5 |
113 |
150 |
20 |
100 | |